





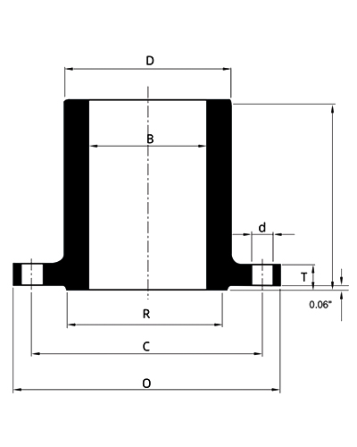
Lang sveisehalflens er en spesialisert komponent i rørsystemer, utmerket med den utvidede nakken eller navet. Sveisede nakkeflenser har et langt konisk nav som reduserer størrelsen fra røret til beslaget. Denne designen minimerer stresskonsentrasjonen, noe som gjør den ideell for høytrykks- og høye temperaturapplikasjoner. Den utvidede nakken forsterker flensen, og fremmer selv stressfordeling og reduserer utmattelsesrisikoen. I tillegg er rørsystemer tryggere når de forsterkes med lange sveisehalsflenser. Denne typen flens hjelper til med å balansere trykk og temperaturendringer i væsken som flyter i rørledningen.
Lange sveisehalsflenser er foretrukket i kritiske industrielle omgivelser på grunn av deres forbedrede strukturelle integritet. Spesielt letter den utvidede nakken enkle sveise- og inspeksjonsprosesser. Rikelig plass til sveising sikrer en sikker tilkobling, mens den utvidede lengden forenkler inspeksjoner ved å gi bedre synlighet og tilgang.
Lange sveisehalsflenser er utbredt i petrokjemiske, olje- og gass- og kraftproduksjonsindustrier, og bidrar til robuste og pålitelige rørsystemer. Deres design sikrer holdbarhet og sikkerhet, noe som gjør dem til et foretrukket valg for applikasjoner der ytelsen er avgjørende.
Introduksjon
| Standard | ANSI B16.5, ANSI B16.47, ANSI B16.36, ANSI B16.48, BS 4504, EN1092, Uni 2277/2278, DIN, JIS, SABS1123, GOST-12820, etc. |
| Materiale | Rustfritt stål: A182 F304, A182F304L, A182 F316, A182 F316L, A182F321, A182 317H, A182316TI, F53, F51 etc. Karbonstål: A105, A350LF2 Legeringsstål: A182 F11, A182F22, A182F12, A182 F5, A182F91, A182 F9 osv. |
| Flate | Behandling anti-rust maling, olje svart maling, gul gjennomsiktig, sinkbelagt, kald og varm dukkert galvanisert |
| Type | Smiing, CNC -maskinering |
| størrelse | 1/2 "-24" |
| Leveringstid | Innen 5-30 dager etter å ha mottatt forhåndsbetalt |
| Pakking | Behandling anti-rust maling, olje svart maling, gul gjennomsiktig, sinkbelagt, kald og varm dukkert galvanisert |
| Søknad | Kjemiske, oljefabrikker, petrokjemisk, gruvedrift, raffinerier, konstruksjon, gjødsel, skipsbygging, kraftverk, stålplanter, kjernekraft, offshore, olje og gass, forsvar, papir, bryggerier, jernbane, sement og ingeniørfag, osv. |
| NPS | Kjede | OD | Thk | OD | Ingen. Av hull | Hullstørrelse | Bolt sirkel | Hevet ansikt dia. | LENGDE | VEKT |
| (i) | B (i) | O (i) | Tinn) | D (i) | (Hull) | d (i) | C (i) | R (i) | L (in) | (KILO)- |
| ½ | 0.50 | 3.50 | 0.44 | 1.25 | 4 | 0.62 | 2.38 | 1.38 | 9.00 | 1.36 |
| ¾ | 0.75 | 3.88 | 0.50 | 1.62 | 4 | 0.62 | 2.75 | 1.69 | 9.00 | 2.27 |
| 1 | 1.00 | 4.25 | 0.56 | 2.00 | 4 | 0.62 | 3.12 | 2.00 | 9.00 | 3.17 |
| 1 ¼ | 1.25 | 4.26 | 0.62 | 2.38 | 4 | 0.62 | 3.50 | 2.50 | 9.00 | 4.54 |
| 1 ½ | 1.50 | 5.00 | 0.69 | 2.62 | 4 | 0.62 | 3.88 | 2.88 | 9.00 | 5.44 |
| 2 | 2.00 | 6.00 | 0.75 | 3.25 | 4 | 0.75 | 4.75 | 3.63 | 9.00 | 6.81 |
| 2 ½ | 2.50 | 7.00 | 0.88 | 3.75 | 4 | 0.75 | 5.50 | 4.13 | 9.00 | 9.98 |
| 3 | 3.00 | 7.50 | 0.94 | 4.25 | 4 | 0.75 | 6.00 | 5.00 | 9.00 | 11.35 |
| 3 ½ | 3.50 | 8.50 | 0.94 | 4.88 | 8 | 0.75 | 7.00 | 5.50 | 9.00 | 14.52 |
| 4 | 4.00 | 9.00 | 0.94 | 5.50 | 8 | 0.75 | 7.50 | 6.19 | 12.00 | 21.33 |
| 5 | 5.00 | 10.00 | 0.94 | 6.50 | 8 | 0.88 | 8.50 | 7.31 | 12.00 | 25.87 |
| 6 | 6.00 | 11.00 | 1.00 | 7.75 | 8 | 0.88 | 9.50 | 8.50 | 12.00 | 34.05 |
| 8 | 8.00 | 13.50 | 1.12 | 9.75 | 8 | 0.88 | 11.75 | 1063 | 12.00 | 46.30 |
| 10 | 10.00 | 16.00 | 1.19 | 12.00 | 12 | 1.00 | 14.25 | 12.75 | 12.00 | 64.92 |
| 12 | 12.00 | 19.00 | 1.25 | 14.38 | 12 | 1.00 | 17.00 | 15.00 | 12.00 | 93.07 |
| 14 | 14.00 | 31.00 | 1.38 | 16.00 | 12 | 1.12 | 18.75 | 16.25 | 12.00 | 95.79 |
| 16 | 16.00 | 23.50 | 1.44 | 18.00 | 16 | 1.12 | 21.25 | 18.50 | 12.00 | 111.68 |
| 18 | 18.00 | 25.00 | 1.56 | 20.00 | 16 | 1.25 | 22.75 | 21.00 | 12.00 | 122.58 |
| 20 | 20.00 | 25.50 | 1.69 | 22.00 | 20 | 1.25 | 25.00 | 23.00 | 12.00 | 141.19 |
| 24 | 24.00 | 32.00 | 1.88 | 26.25 | 20 | 1.38 | 29.50 | 27.25 | 112.00 | 192.04 |
Klasse 300
| NPS | Kjede | OD | Thk | OD | Ingen. Av hull | Hullstørrelse | Bolt sirkel | Hevet ansikt dia. | LENGDE | VEKT |
| (in) | B (in) | O (in) | Tinn) | D (in) | (Hull) | d (in) | C (in) | R (in) | L (in) | (KILO)- |
| ½ | 0.50 | 3.75 | 0.56 | 1.50 | 4 | 0.62 | 26.2 | 1.38 | 9.00 | 2.27 |
| ¾ | 0.75 | 4.62 | 0.62 | 1.88 | 4 | 0.75 | 3.25 | 1.69 | 9.00 | 4.08 |
| 1 | 1.00 | 4.88 | 0.69 | 2.12 | 4 | 0.75 | 3.50 | 2.00 | 9.00 | 4.08 |
| 1 ¼ | 1.25 | 5.25 | 0.75 | 2.50 | 4 | 0.75 | 3.88 | 2.50 | 9.00 | 5.90 |
| 1 ½ | 1.50 | 6.12 | 0.81 | 2.75 | 4 | 0.88 | 4.50 | 2.88 | 9.00 | 6.81 |
| 2 | 2.00 | 6.50 | 0.88 | 3.31 | 8 | 0.75 | 5.00 | 3.63 | 9.00 | 9.08 |
| 2 ½ | 2.50 | 7.50 | 1.00 | 3.94 | 8 | 0.88 | 5.88 | 4.13 | 9.00 | 11.35 |
| 3 | 3.00 | 8.25 | 1.12 | 4.62 | 8 | 0.88 | 6.62 | 5.00 | 9.00 | 15.89 |
| 3 ½ | 3.50 | 9.00 | 1.19 | 5.25 | 8 | 0.88 | 7.25 | 5.50 | 9.00 | 19.06 |
| 4 | 4.00 | 10.00 | 1.25 | 5.75 | 8 | 0.88 | 7.88 | 6.19 | 12.00 | 28.14 |
| 5 | 5.00 | 11.00 | 1.38 | 7.00 | 8 | 0.88 | 9.25 | 7.31 | 12.00 | 38.14 |
| 6 | 6.00 | 12.50 | 1.44 | 8.12 | 12 | 0.88 | 10.62 | 8.50 | 12.00 | 47367 |
| 8 | 8.00 | 15.00 | 1.62 | 10.25 | 12 | 1.00 | 13.00 | 10.63 | 12.00 | 67.19 |
| 10 | 10.00 | 17.50 | 1.88 | 12.62 | 16 | 1.12 | 15.25 | 12.57 | 12.00 | 95.34 |
| 12 | 12.00 | 20.50 | 2.00 | 14.75 | 16 | 1.25 | 17.75 | 15.00 | 12.00 | 124.85 |
| 14 | 14.00 | 23.00 | 2.12 | 16.75 | 20 | 1.25 | 20.25 | 16.25 | 12.00 | 147.09 |
| 16 | 16.00 | 25.50 | 2.25 | 19.00 | 20 | 1.38 | 22.50 | 18.50 | 12.00 | 173.41 |
| 18 | 18.00 | 28.00 | 2.38 | 21.00 | 24 | 1.38 | 24.75 | 21.00 | 12.00 | 211.11 |
| 20 | 20.00 | 30.50 | 2.50 | 23.12 | 24 | 1.38 | 27.00 | 23.00 | 12.00 | 249.16 |
| 24 | 24.00 | 36.00 | 2.75 | 27.62 | 24 | 1.62 | 32.00 | 27.25 | 12.00 | 353.21 |
Klasse 400
| NPS | Kjede | OD | Thk | OD | Ingen. Av hull | Hullstørrelse | Bolt sirkel | Hevet ansikt dia. | LENGDE | VEKT |
| (in) | B (in) | O (in) | Tinn) | D (in) | (Hull) | d (in) | C (in) | R (in) | L (in) | (KILO)- |
| ½ | 0.50 | 3.75 | 0.56 | 1.50 | 4 | 0.62 | 26.20 | 1.38 | 9.00 | 2.27 |
| ¾ | 0.75 | 4.62 | 0.62 | 1.88 | 4 | 0.75 | 3.25 | 1.69 | 9.00 | 3.63 |
| 1 | 1.00 | 4.88 | 0.69 | 2.12 | 4 | 0.75 | 3.50 | 2.00 | 9.00 | 4.08 |
| 1 ¼ | 1.25 | 5.25 | 0.81 | 2.50 | 4 | 0.75 | 3.88 | 2.50 | 9.00 | 5.09 |
| 1 ½ | 1.50 | 6.12 | 0.88 | 2.75 | 4 | 0.88 | 4.50 | 2.88 | 9.00 | 7.266.50 |
| 2 | 2.00 | 6.50 | 1.00 | 3.31 | 8 | 0.75 | 5.00 | 3.63 | 9.00 | 9.08 |
| 2 ½ | 2.50 | 7.50 | 1.12 | 3.94 | 8 | 0.88 | 5.88 | 4.13 | 9.00 | 12.25 |
| 3 | 3.00 | 8.25 | 1.25 | 4.62 | 8 | 0.88 | 6.62 | 5.00 | 9.00 | 16.34 |
| 3 ½ | 3.50 | 9.00 | 1.38 | 5.25 | 8 | 1.00 | 7.25 | 5.50 | 9.00 | 20.04 |
| 4 | 4.00 | 10.00 | 1.38 | 5.75 | 8 | 1.00 | 7.88 | 6.19 | 12.00 | 29.51 |
| 5 | 5.00 | 11.00 | 1.50 | 7.00 | 8 | 1.00 | 9.25 | 7.31 | 12.00 | 39.95 |
| 6 | 6.00 | 12.50 | 1.62 | 8.12 | 12 | 1.00 | 10.62 | 8.50 | 12.00 | 49.94 |
| 8 | 8.00 | 15.00 | 1.88 | 10.25 | 12 | 1.12 | 13.00 | 10.63 | 12.00 | 69.91 |
| 10 | 10.00 | 17.50 | 2.12 | 12.62 | 16 | 1.25 | 15.25 | 12.75 | 12.00 | 98.97 |
| 12 | 12.00 | 20.50 | 2.25 | 14.75 | 16 | 1.38 | 17.75 | 15.00 | 12.00 | 129.39 |
| 14 | 14.00 | 23.00 | 2.38 | 16.75 | 20 | 1.38 | 20.25 | 16.25 | 12.00 | 152.54 |
| 16 | 16.00 | 25.50 | 2.50 | 19.00 | 20 | 1.50 | 22.50 | 18.50 | 12.00 | 189.77 |
| 18 | 18.00 | 28.00 | 2.62 | 21.00 | 24 | 1.50 | 24.75 | 21.00 | 12.00 | 218.82 |
| 20 | 20.00 | 30.50 | 2.75 | 23.12 | 24 | 1.62 | 27.00 | 23.00 | 12.00 | 257.87 |
| 24 | 24.00 | 36.00 | 3.0 | 27.62 | 24 | 1.88 | 32.00 | 27.25 | 12.00 | 365.01 |
Klasse 600
| NPS | Kjede | OD | Thk | OD | Ingen. Av hull | Hullstørrelse | Bolt sirkel | Hevet ansikt dia. | LENGDE | VEKT |
| (in) | B (in) | O (in) | Tinn) | D (in) | (Hull) | d (in) | C (in) | R (in) | L (in) | (KILO)- |
| ½ | 0.50 | 3.75 | 0.56 | 1.50 | 4 | 0.62 | 2.62 | 1.38 | 9.00 | 2.27 |
| ¾ | 0.75 | 4.62 | 0.62 | 1.88 | 4 | 0.75 | 3.25 | 1.69 | 9.00 | 3.63 |
| 1 | 1.00 | 4.88 | 0.69 | 2.12 | 4 | 0.75 | 3.50 | 2.00 | 9.00 | 4.08 |
| 1 ¼ | 1.25 | 5.25 | 0.81 | 2.50 | 4 | 0.75 | 3.88 | 2.50 | 9.00 | 5.09 |
| 1 ½ | 1.50 | 6.12 | 0.88 | 2.75 | 4 | 0.88 | 4.50 | 2.88 | 9.00 | 7.26 |
| 2 | 2.00 | 6.50 | 1.00 | 3.31 | 8 | 0.75 | 5.00 | 3.63 | 9.00 | 9.08 |
| 2 ½ | 2.50 | 7.50 | 1.12 | 3.94 | 8 | 0.88 | 5.88 | 4.13 | 9.00 | 12.25 |
| 3 | 3.00 | 8.25 | 1.25 | 4.62 | 8 | 0.88 | 6.62 | 5.00 | 9.00 | 16.34 |
| 4 | 4.00 | 10.75 | 1.50 | 6.00 | 8 | 1.00 | 8.50 | 6.19 | 12.00 | 34.95 |
| 5 | 5.00 | 13.00 | 1.75 | 7.50 | 8 | 1.12 | 10.50 | 7.31 | 12.00 | 55.84 |
| 6 | 6.00 | 14.00 | 1.88 | 8.75 | 12 | 0.88 | 11.50 | 9.50 | 12.00 | 69.08 |
| 8 | 8.00 | 16.50 | 2.19 | 10.75 | 12 | 1.25 | 13.75 | 10.63 | 12.00 | 93.97 |
| 10 | 10.00 | 20.00 | 2.50 | 13.50 | 16 | 1.38 | 17.00 | 12.75 | 12.00 | 147.09 |
| 12 | 12.00 | 22.00 | 2.62 | 15.75 | 20 | 1.38 | 19.25 | 15.00 | 12.00 | 178.42 |
| 14 | 14.00 | 23.75 | 2.75 | 17.00 | 20 | 1.50 | 20.75 | 16.25 | 16.00 | 213.83 |
| 16 | 16.00 | 27.00 | 3.00 | 19.50 | 20 | 1.62 | 23.75 | 18.50 | 16.00 | 289.65 |
| 18 | 18.00 | 29.25 | 3.25 | 21.50 | 20 | 1.75 | 25.75 | 21.00 | 16.00 | 331.42 |
| 20 | 20.00 | 32.00 | 3.50 | 24.00 | 24 | 1.75 | 28.50 | 23.00 | 16.00 | 415.86 |
| 24 | 24.00 | 37.00 | 4.00 | 28.25 | 24 | 2.00 | 33.00 | 27.25 | 16.00 | 549.34 |
Klasse 900
| NPS | Kjede | OD | Thk | OD | Ingen. Av hull | Hullstørrelse | Bolt sirkel | Hevet ansikt dia. | LENGDE | VEKT |
| (in) | B (in) | O (in) | Tinn) | D (in) | (Hull) | d (in) | C (in) | R (in) | L (in) | (KILO)- |
| ½ | 0.50 | 4.75 | 0.88 | 1.56 | 4 | 0.88 | 3.25 | 1.38 | 9.00 | 3.63 |
| ¾ | 0.75 | 5.12 | 1.00 | 1.81 | 4 | 0.88 | 3.50 | 1.69 | 9.00 | 4.54 |
| 1 | 1.00 | 5.88 | 1.12 | 2.12 | 4 | 1.00 | 4.00 | 2.00 | 9.00 | 5.09 |
| 1 ¼ | 1.25 | 6.25 | 1.112 | 2.50 | 4 | 1.00 | 4.38 | 2.50 | 9.00 | 7.71 |
| 1 ½ | 1.50 | 7.00 | 1.25 | 2.75 | 4 | 1.12 | 4.88 | 2.88 | 9.00 | 9.53 |
| 2 | 2.00 | 8.50 | 1.50 | 4.12 | 8 | 1.00 | 6.50 | 3.63 | 9.00 | 19.06 |
| 2 ½ | 2.50 | 9.62 | 1.62 | 4.88 | 8 | 1.12 | 7.50 | 4.13 | 9.00 | 23.15 |
| 3 | 3.00 | 9.50 | 1.50 | 5.00 | 8 | 1.00 | 7.50 | 5.00 | 9.00 | 25.42 |
| 4 | 4.00 | 11.50 | 1.75 | 6.25 | 8 | 1.25 | 9.25 | 6.19 | 12.00 | 42.22 |
| 5 | 5.00 | 13.75 | 2.00 | 7.50 | 8 | 1.38 | 11.00 | 7.31 | 12.00 | 61.29 |
| 6 | 6.00 | 15.00 | 2.19 | 9.25 | 12 | 1.25 | 12.50 | 8.50 | 12.00 | 86.71 |
| 8 | 8.00 | 18.50 | 2.50 | 11.75 | 12 | 1.50 | 15.50 | 10.63 | 12.00 | 134.83 |
| 10 | 10.00 | 21.50 | 2.75 | 14.50 | 16 | 1.50 | 18.50 | 12.75 | 12.00 | 191.58 |
| 12 | 12.00 | 24.00 | 3.12 | 16.50 | 20 | 1.50 | 21.00 | 15.00 | 12.00 | 235.17 |
| 14 | 14.00 | 25.25 | 3.38 | 17.75 | 20 | 1.62 | 22.00 | 16.25 | 16.00 | 283.29 |
| 16 | 16.00 | 27.75 | 3.50 | 20.00 | 20 | 1.75 | 24.25 | 18.50 | 16.00 | 340.50 |
| 18 | 18.00 | 31.00 | 4.00 | 22.25 | 20 | 2.00 | 27.00 | 21.00 | 16.00 | 413.30 |
| 20 | 20.00 | 33.75 | 4.25 | 24.50 | 20 | 2.12 | 29.50 | 23.00 | 16.00 | 508.93 |
| 24 | 24.00 | 41.00 | 5.50 | 29.50 | 20 | 2.621 | 35.50 | 27.25 | 16.00 | 846.71 |
Klasse 1500
| NPS | Kjede | OD | Thk | OD | Ingen. Av hull | Hullstørrelse | Bolt sirkel | Hevet ansikt dia. | LENGDE | VEKT |
| (in) | B (in) | O (in) | Tinn) | D (in) | (Hull) | d (in) | C (in) | R (in) | L (in) | (KILO)- |
| ½ | 0.50 | 4.75 | 0.88 | 1.56 | 4 | 0.88 | 3.25 | 1.38 | 9.00 | 3.63 |
| ¾ | 0.75 | 5.12 | 1.00 | 1.81 | 4 | 0.88 | 3.50 | 1.69 | 9.00 | 4.54 |
| 1 | 1.00 | 5.88 | 1.12 | 2.12 | 4 | 1.00 | 4.00 | 2.00 | 9.00 | 5.09 |
| 1 ¼ | 1.25 | 6.25 | 1.12 | 2.50 | 4 | 1.00 | 4.38 | 2.50 | 9.00 | 7.71 |
| 1 ½ | 1.50 | 7.00 | 1.25 | 2.75 | 4 | 1.12 | 4.88 | 2.88 | 9.00 | 9.53 |
| 2 | 2.00 | 9.50 | 1.50 | 4.12 | 8 | 1.00 | 6.50 | 3.63 | 9.00 | 19.06 |
| 2 ½ | 2.50 | 9.62 | 1.62 | 4.88 | 8 | 1.12 | 7.50 | 4.13 | 9.00 | 25.42 |
| 3 | 3.00 | 10.50 | 1.88 | 5.25 | 8 | 1.25 | 8.00 | 5.00 | 9.00 | 30.41 |
| 4 | 4.00 | 12.25 | 2.12 | 6.38 | 8 | 1.38 | 9.50 | 6.19 | 12.00 | 49.94 |
| 5 | 5.00 | 14.75 | 2.88 | 7.75 | 8 | 1.62 | 11.50 | 7.31 | 12.00 | 82.17 |
| 6 | 6.00 | 15.50 | 3.25 | 9.00 | 12 | 1.50 | 12.50 | 8.50 | 12.00 | 97.61 |
| 8 | 8.00 | 19.00 | 3.62 | 11.50 | 12 | 1.75 | 15.50 | 10.63 | 12.00 | 152.99 |
| 10 | 10.00 | 23.00 | 4.25 | 14.50 | 12 | 2.00 | 19.00 | 12.75 | 12.00 | 247.88 |
| 12 | 12.00 | 26.50 | 4.88 | 17.75 | 16 | 2.12 | 22.50 | 15.00 | 12.00 | 429.48 |
| 14 | 14.00 | 29.50 | 5.25 | 19.50 | 16 | 2.38 | 25.00 | 16.25 | 16.00 | 506.66 |
| 16 | 16.00 | 32.50 | 5.75 | 21.75 | 16 | 2.62 | 27.75 | 18.50 | 16.00 | 622.43 |
| 18 | 18.00 | 36.00 | 6.38 | 23.50 | 16 | 2.88 | 30.50 | 21.00 | 16.00 | 759.99 |
| 20 | 20.00 | 38.75 | 7.00 | 25.25 | 16 | 3.12 | 32.75 | 23.00 | 16.00 | 882.12 |
| 24 | 24.00 | 46.00 | 8.00 | 30.00 | 16 | 3.62 | 39.00 | 27.25 | 16.00 | 1332.94 |
Klasse 2500
| NPS | Kjede | OD | Thk | OD | Ingen. Av hull | Hullstørrelse | Bolt sirkel | Hevet ansikt dia. | LENGDE | VEKT |
| (in) | B (in) | O (in) | Tinn) | D (in) | (Hull) | d (in) | C (in) | R (in) | L (in) | (KILO)- |
| ½ | 0.50 | 5.25 | 1.19 | 1.81 | 4 | 0.88 | 3.50 | 1.38 | 9.00 | 4.99 |
| ¾ | 0.75 | 5.50 | 1.25 | 2.06 | 4 | 0.88 | 3.75 | 1.69 | 9.00 | 5.90 |
| 1 | 1.00 | 6.25 | 1.38 | 2.25 | 4 | 1.00 | 4.25 | 2.00 | 9.00 | 8.17 |
| 1 ¼ | 1.25 | 7.25 | 1.50 | 2.88 | 4 | 1.12 | 5.12 | 2.50 | 9.00 | 12.25 |
| 1 ½ | 1.50 | 8.00 | 1.75 | 3.12 | 4 | 1.25 | 5.75 | 2.88 | 9.00 | 14.98 |
| 2 | 2.00 | 9.25 | 2.00 | 3.75 | 8 | 1.12 | 6.75 | 3.63 | 9.00 | 21.72 |
| 2 ½ | 2.50 | 10.50 | 2.25 | 4.50 | 8 | 1.25 | 7.75 | 4.13 | 9.00 | 29.96 |
| 3 | 3.00 | 12.00 | 2.62 | 5.25 | 8 | 1.38 | 9.00 | 5.00 | 9.00 | 44.03 |
| 4 | 4.00 | 14.00 | 3.00 | 6.50 | 8 | 1.62 | 10.75 | 6.19 | 12.00 | 72.18 |
| 5 | 5.00 | 16.50 | 3.62 | 8.00 | 8 | 1.88 | 12.75 | 7.31 | 12.00 | 112.59 |
| 6 | 6.00 | 19.00 | 4.25 | 9.25 | 8 | 2.12 | 14.50 | 8.50 | 12.00 | 162.53 |
| 8 | 8.00 | 21.75 | 5.00 | 12.00 | 12 | 2.12 | 17.25 | 10.63 | 16.00 | 267.40 |
| 10 | 10.00 | 26.50 | 6.50 | 14.75 | 12 | 2.62 | 21.25 | 12.75 | 16.00 | 452.63 |
| 12 | 12.00 | 30.00 | 7.25 | 17.38 | 12 | 2.88 | 24.38 | 15.00 | 16.00 | 618.80 |
Grunnlagt i 2007 og flyttet til Longyou Economic Development Zone, Zhejiang -provinsen, i 2022. Den dekker et område på 130 000 kvadratmeter, mer enn 30 produksjonslinjer, 300 arbeidere, 20 FoU -personer, 30 inspeksjonsfolk og en årlig produksjon på 50 000 tonn.
It has passed ISO9001:2008 quality management system, PED 97/23/EC EU Pressure Equipment Directive certification, China Special Equipment Manufacturing License (Pressure Tube) TS certification, ASME certification, provincial enterprise standardization management system, ISO14000:2004 environment management system, cleaner production (green enterprise), and a series of certifications, as well as China Classification Society (CCS), American Bureau of Shipping (ABS), British Register of Shipping (LR), Deutsche Veritas (GL), Bureau Veritas Society (BV), Det Norske Veritas (DNV) og Korean Register of Shipping (KR) Factory Certification.
Hovedproduktene inkluderer rustfrie stålrør, rørbeslag, flenser, ventiler, etc., som er mye brukt i petroleum, kjemisk industri, kjernefysisk industri, smelting, skipsbygging, legemidler, mat, vannkonservitet, elektrisk kraft, ny energi, mekanisk utstyr og andre felt. Selskapet holder seg til bedriftens grunnlag for "kvalitet for å overleve, omdømme for utvikling" og tjener helhjertet hver kunde til å skape en vinn-vinn-situasjon.





Massetetthet av bløtt stål: grunnleggende og praktisk betydning Massetettheten til bløtt stål er en grunnleggende egenskap som direkte påvirker hvordan ingeniører og designere dimensjonerer komp...
Se merIntroduksjon til lavlegert stålmateriale Lavlegert stålmateriale er en type stål som inneholder en liten prosentandel av legeringselementer, vanligvis mindre enn 8 %, i tillegg til karbon. Disse...
Se merOversikt — hva "vekt per kubikk tomme" betyr for rustfritt stål "Vekt per kubikk tomme" er ganske enkelt massen (i pounds) av en kubikk tomme av materiale. For rustfritt stål avhenger dette av l...
Se merVi vil aldri dele e -postadressen din og deg
Kan velge bort når som helst, lover vi.