





Lateral tee brukes til å endre retning av væske- eller gassvæsker, som passerer gjennom røret. Den har evnen til å redusere turbulens og friksjon, og dermed øke fluiden av væsken.
Denne typen tee er spesielt nyttig i scenarier der strømmen må omdirigeres i vinkel, mens den også går over til en mindre rørstørrelse. Den finner anvendelse i bransjer og systemer der væske- eller gassfordeling krever endringer i rørdiameter sammen med lateral forgrening. Den laterale reduserende tee letter en jevn overgang mellom rør i varierende størrelser mens den effektivt kontrollerer strømningsretningen.
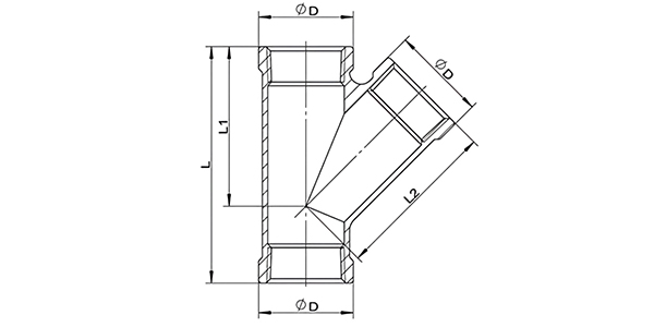
En lateral tee er en slags tee-passende, som har en 45-graders gren fra rørledningen. Når du installerer sidet tee med rørene, må sveisere merke den flytende retningen. For til hovedkjøringsrøret er grenen 45 grader og 135 graders vinkel. På grunn av den spesielle formen og retningen til grenen, er den laterale tee laget av to rørstykker og deretter koblet sammen.
Laterale tee-rørbeslag har noen funksjoner som: høy motstand mot vann, holdbarhet, korrosjonsmotstand, enkel installasjon, etc. Under høye temperaturer og trykkforhold kan den opprettholde nøyaktige dimensjoner, antikorrosjon osv.
Introduksjon
| Lateral tee | |
| Punkt | Rustfritt stål gjenget lateral tee |
| Standard | ASME / ANSI - B 16.9, ASTM A403 - ASME SA403, ASME B16.9, ASME B16.25, ASME B16.28, MSS SP -43 |
| Materiale | Rustfritt stål: 304, F304 (S30408), F316 (S31608), F321 (S32168), 304L (S30403), F316L (S31603), Fe51 (SH High Mo), 00Cr1, F60, F602, F51 (S22220, f316ni, F60, F3160, F316, F316L (S32168), F321, S32168). F304H (S30409), F316H (S31609), F321H (S32169), F321H Low S.P, M-400, F53, 316ti, 317, 317L, 347, 347H (S34777. 347h lav S.P, F5TEEL |
| Flate | CS-galvanisert eller svart fosfating, rust-sikret OI, SS-plukket og glødet, polert, skutt sprengt |
| Type | Presisjonsstøping |
| størrelse | 1/4 "-2", godta tilpasning |
| Leveringstid | Innen 5-30 dager etter å ha mottatt forhåndsbetalt |
| Pakking | Overflaten på produktet er pakket inn med plastfilm eller boblepapir, og begge ender er dekket for beskyttelse. |
| Søknad | Petroleum, kjemisk, maskiner, kjele, elektrisk, skipsbygging, etc |
| Størrelse | Dn | Φd | L | L1 | L2 |
| 1/4 " | 8 | 18.0 | 55.0 | 32.5 | 33.0 |
| 3/8 " | 10 | 21.5 | 60.0 | 38.0 | 38.5 |
| 1/2 " | 15 | 26.5 | 65.0 | 45.5 | 46.5 |
| 3/4 " | 20 | 32.0 | 80.0 | 54.0 | 55.5 |
| 1 " | 25 | 39.5 | 90.0 | 65.0 | 66.0 |
| 1 1/4 " | 32 | 48.5 | 104.0 | 75.0 | 76.0 |
| 1 1/2 " | 40 | 55.0 | 120.0 | 88.0 | 88.0 |
| 2 " | 50 | 67.0 | 138.0 | 105.0 | 107.0 |
Grunnlagt i 2007 og flyttet til Longyou Economic Development Zone, Zhejiang -provinsen, i 2022. Den dekker et område på 130 000 kvadratmeter, mer enn 30 produksjonslinjer, 300 arbeidere, 20 FoU -personer, 30 inspeksjonsfolk og en årlig produksjon på 50 000 tonn.
It has passed ISO9001:2008 quality management system, PED 97/23/EC EU Pressure Equipment Directive certification, China Special Equipment Manufacturing License (Pressure Tube) TS certification, ASME certification, provincial enterprise standardization management system, ISO14000:2004 environment management system, cleaner production (green enterprise), and a series of certifications, as well as China Classification Society (CCS), American Bureau of Shipping (ABS), British Register of Shipping (LR), Deutsche Veritas (GL), Bureau Veritas Society (BV), Det Norske Veritas (DNV) og Korean Register of Shipping (KR) Factory Certification.
Hovedproduktene inkluderer rustfrie stålrør, rørbeslag, flenser, ventiler, etc., som er mye brukt i petroleum, kjemisk industri, kjernefysisk industri, smelting, skipsbygging, legemidler, mat, vannkonservitet, elektrisk kraft, ny energi, mekanisk utstyr og andre felt. Selskapet holder seg til bedriftens grunnlag for "kvalitet for å overleve, omdømme for utvikling" og tjener helhjertet hver kunde til å skape en vinn-vinn-situasjon.





Massetetthet av bløtt stål: grunnleggende og praktisk betydning Massetettheten til bløtt stål er en grunnleggende egenskap som direkte påvirker hvordan ingeniører og designere dimensjonerer komp...
Se merIntroduksjon til lavlegert stålmateriale Lavlegert stålmateriale er en type stål som inneholder en liten prosentandel av legeringselementer, vanligvis mindre enn 8 %, i tillegg til karbon. Disse...
Se merOversikt — hva "vekt per kubikk tomme" betyr for rustfritt stål "Vekt per kubikk tomme" er ganske enkelt massen (i pounds) av en kubikk tomme av materiale. For rustfritt stål avhenger dette av l...
Se merVi vil aldri dele e -postadressen din og deg
Kan velge bort når som helst, lover vi.