





Korsrør er en rørmontering som brukes i krysset mellom fire rør. Den kan ha ett innløp og tre utsalgssteder, eller det kan ha et innløp og ett utløp. Utløps- og innløpsdiametrene kan være de samme eller forskjellige.
Når grenrørstørrelsen er mindre enn hovedrørstørrelsen, kaller vi det vanligvis et reduserende kors. Dette oppnår den nødvendige strømmen og trykket gjennom rørsystemet. Disse reduserende kryssrørmonteringen har ofte en tendens til å ha solvent sveisede stikkontakter eller hunn-trådede ender.
Rustfritt stålreduserende kryss er mye brukt i rørleggeranlegg. De er beslagene som kobler forskjellige rør sammen og lar transformasjon av banen. Disse reduserende korsene hjelper væsker med å bevege seg på en trygg måte.
Å redusere kryssfitting er mindre vanlig i generelle industrielle applikasjoner. Det er bare noen få situasjoner der reduksjon av kryssbeslag brukes, for eksempel brannsprinkler på nødsystemer eller hagearbeid, innenlandske applikasjoner osv.
Introduksjon
| Redusere kors | |
| Punkt | Rustfritt stål reduserer kors |
| Standard | ASME: ANSI B16.9, ANSI B16.28, MSS-SP-43 GB: GB/T12459, GB/T13401, HG/T21635, HG/T21631 |
| Materiale | Rustfritt stål OCR18NI9 GRAD, 0CR18NI9TI, 1CR18NI9TI; 304, 304L, 316, 316L, 317, 317L, 321, 321H Dobbeltfase rustfritt stål ASTM A815-S31803 、 S32750 、 S32760 Super Steel ASTM 904L 、 B366-N08904 、 A403-WP317、317L |
| Flate | Hot galvanisert |
| Type | Buleforming |
| størrelse | ½ "-48" |
| Leveringstid | Innen 5-30 dager etter å ha mottatt forhåndsbetalt |
| Pakking | Pakking vanligvis med kryssfiner -tilfeller med hvert produkt godt pakket med filmer. |
| Søknad | Kraftproduksjon, petrokjemisk, skipsbygging, papirproduksjon, kjemisk, farmasøytisk og fabrikasjon. |
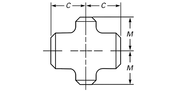
| Nominell rørstørrelse | O.D. på Bevel | Sentrum til ende | |||
| NPS | Løp | Utsalgssted | Løp c | Utsalgssted m | |
| ½ | ¼ | 0.84 | 0.54 | 1.00 | 1.00 |
| ½ | 3/8 | 0.84 | 0.68 | 1.00 | 1.00 |
| ¾ | 3/8 | 1.05 | 0.68 | 1.12 | 1.12 |
| ¾ | ½ | 1.05 | 0.84 | 1.12 | 1.12 |
| 1 | ½ | 1.32 | 0.84 | 1.50 | 1.50 |
| 1 | ¾ | 1.32 | 1.05 | 1.50 | 1.50 |
| 1¼ | ½ | 1.66 | 0.84 | 1.88 | 1.88 |
| 1¼ | ¾ | 1.66 | 1.05 | 1.88 | 1.88 |
| 1¼ | 1 | 1.66 | 1.32 | 1.88 | 1.88 |
| 1½ | ½ | 1.90 | 0.84 | 2.25 | 2.25 |
| 1½ | ¾ | 1.90 | 1.05 | 2.25 | 2.25 |
| 1½ | 1 | 1.90 | 1.66 | 2.25 | 2.25 |
| 1½ | 1¼ | 1.90 | 1.66 | 2.25 | 2.25 |
| 2 | ¾ | 2.38 | 1.05 | 2.50 | 1.75 |
| 2 | 1 | 2.38 | 1.32 | 2.50 | 2.00 |
| 2 | 1¼ | 2.38 | 1.66 | 2.50 | 2.25 |
| 2 | 1½ | 2.38 | 1.90 | 2.50 | 2.38 |
| 2½ | 1 | 2.88 | 1.32 | 3.00 | 2.25 |
| 2½ | 1¼ | 2.88 | 1.66 | 3.00 | 2.50 |
| 2½ | 1½ | 2.88 | 1.90 | 3.00 | 2.62 |
| 2½ | 2 | 2.88 | 2.38 | 3.00 | 2.75 |
| 3 | 1¼ | 3.50 | 1.66 | 3.38 | 2.75 |
| 3 | 1½ | 3.50 | 1.90 | 3.38 | 2.88 |
| 3 | 2 | 3.50 | 2.38 | 3.38 | 3.00 |
| 3 | 2½ | 3.50 | 2.88 | 3.38 | 3.25 |
| 3½ | 1½ | 4.00 | 1.90 | 3.75 | 3.12 |
| 3½ | 2 | 4.00 | 2.38 | 3.75 | 3.25 |
| 3½ | 2½ | 4.00 | 2.88 | 3.75 | 3.50 |
| 3½ | 3 | 4.00 | 3.50 | 3.75 | 3.62 |
| 4 | 1½ | 4.50 | 1.90 | 4.12 | 3.38 |
| 4 | 2 | 4.50 | 2.38 | 4.12 | 3.50 |
| 4 | 2½ | 4.50 | 2.88 | 4.12 | 3.75 |
| 4 | 3 | 4.50 | 3.50 | 4.12 | 3.88 |
| 4 | 3½ | 4.50 | 4.00 | 4.12 | 4.00 |
| 5 | 2 | 5.56 | 2.38 | 4.88 | 4.12 |
| 5 | 2½ | 5.56 | 2.88 | 4.88 | 4.25 |
| 5 | 3 | 5.56 | 3.50 | 4.88 | 4.38 |
| 5 | 3½ | 5.56 | 4.00 | 4.88 | 4.50 |
| 5 | 4 | 5.56 | 4.50 | 4.88 | 4.62 |
| 6 | 2½ | 6.62 | 2.88 | 5.62 | 4.75 |
| 6 | 3 | 6.62 | 3.50 | 5.62 | 4.88 |
| 6 | 3½ | 6.62 | 4.00 | 5.62 | 5.00 |
| 6 | 4 | 6.62 | 4.50 | 5.62 | 5.12 |
| 6 | 5 | 6.62 | 5.56 | 5.62 | 5.38 |
| 8 | 3½ | 8.62 | 4.00 | 7.00 | 6.00 |
| 8 | 4 | 8.62 | 4.50 | 7.00 | 6.12 |
| 8 | 5 | 8.62 | 5.56 | 7.00 | 6.38 |
| 8 | 6 | 8.62 | 6.62 | 7.00 | 6.62 |
| 10 | 4 | 10.75 | 4.50 | 8.50 | 7.25 |
| 10 | 5 | 10.75 | 5.56 | 8.50 | 7.50 |
| 10 | 6 | 10.75 | 6.62 | 8.50 | 7.62 |
| 10 | 8 | 10.75 | 8.62 | 8.50 | 8.00 |
| 12 | 5 | 12.75 | 5.56 | 10.00 | 8.50 |
| 12 | 6 | 12.75 | 6.62 | 10.00 | 8.62 |
| 12 | 8 | 12.75 | 8.62 | 10.00 | 9.00 |
| 12 | 10 | 12.75 | 10.75 | 10.00 | 9.50 |
| 14 | 6 | 14.00 | 6.62 | 11.00 | 9.38 |
| 14 | 8 | 14.00 | 8.62 | 11.00 | 9.75 |
| 14 | 10 | 14.00 | 10.75 | 11.00 | 10.12 |
| 14 | 12 | 14.00 | 12.75 | 11.00 | 10.62 |
| 16 | 6 | 16.00 | 6.62 | 12.00 | 10.38 |
| 16 | 8 | 16.00 | 8.62 | 12.00 | 10.75 |
| 16 | 10 | 16.00 | 10.75 | 12.00 | 11.12 |
| 16 | 12 | 16.00 | 12.75 | 12.00 | 11.62 |
| 16 | 14 | 16.00 | 14.00 | 12.00 | 12.00 |
| 18 | 8 | 18.00 | 8.62 | 13.50 | 11.75 |
| 18 | 10 | 18.00 | 10.75 | 13.50 | 12.12 |
| 18 | 12 | 18.00 | 12.75 | 13.50 | 12.62 |
| 18 | 14 | 18.00 | 14.00 | 13.50 | 13.00 |
| 18 | 16 | 18.00 | 16.00 | 13.50 | 13.00 |
| 20 | 8 | 20.00 | 8.62 | 15.00 | 12.75 |
| 20 | 10 | 20.00 | 10.75 | 15.00 | 13.12 |
| 20 | 12 | 20.00 | 12.75 | 15.00 | 13.62 |
| 20 | 14 | 20.00 | 14.00 | 15.00 | 14.00 |
| 20 | 16 | 20.00 | 16.00 | 15.00 | 14.00 |
| 20 | 18 | 20.00 | 18.00 | 15.00 | 14.50 |
| 22 | 10 | 22.00 | 10.75 | 16.50 | 14.12 |
| 22 | 12 | 22.00 | 12.75 | 16.50 | 14.62 |
| 22 | 14 | 22.00 | 14.00 | 16.50 | 15.00 |
| 22 | 16 | 22.00 | 16.00 | 16.50 | 15.00 |
| 22 | 18 | 22.00 | 18.00 | 16.50 | 15.50 |
| 22 | 20 | 22.00 | 20.00 | 16.50 | 16.00 |
| 24 | 10 | 24.00 | 10.75 | 17.00 | 15.12 |
| 24 | 12 | 24.00 | 12.75 | 17.00 | 15.62 |
| 24 | 14 | 24.00 | 14.00 | 17.00 | 16.00 |
| 24 | 16 | 24.00 | 16.00 | 17.00 | 16.00 |
| 24 | 18 | 24.00 | 18.00 | 17.00 | 16.50 |
| 24 | 20 | 24.00 | 20.00 | 17.00 | 17.00 |
| 24 | 22 | 24.00 | 22.00 | 17.00 | 17.00 |
| 26 | 12 | 26.00 | 12.75 | 19.50 | 16.62 |
| 26 | 14 | 26.00 | 14.00 | 19.50 | 17.00 |
| 26 | 16 | 26.00 | 16.00 | 19.50 | 17.00 |
| 26 | 18 | 26.00 | 18.00 | 19.50 | 17.50 |
| 26 | 20 | 26.00 | 20.00 | 19.50 | 18.00 |
| 26 | 22 | 26.00 | 22.00 | 19.50 | 18.50 |
| 26 | 24 | 26.00 | 24.00 | 19.50 | 19.00 |
| 28 | 12 | 28.00 | 12.75 | 20.50 | 17.62 |
| 28 | 14 | 28.00 | 14.00 | 20.50 | 18.00 |
| 28 | 16 | 28.00 | 16.00 | 20.50 | 18.00 |
| 28 | 18 | 28.00 | 18.00 | 20.50 | 18.50 |
| 28 | 20 | 28.00 | 20.00 | 20.50 | 19.00 |
| 28 | 22 | 28.00 | 22.00 | 20.50 | 19.50 |
| 28 | 24 | 28.00 | 24.00 | 20.50 | 20.00 |
| 28 | 26 | 28.00 | 26.00 | 20.50 | 20.50 |
| 30 | 10 | 30.00 | 10.75 | 22.00 | 18.12 |
| 30 | 12 | 30.00 | 12.75 | 22.00 | 18.62 |
| 30 | 14 | 30.00 | 14.00 | 22.00 | 19.00 |
| 30 | 16 | 30.00 | 16.00 | 22.00 | 19.00 |
| 30 | 18 | 30.00 | 18.00 | 22.00 | 19.50 |
| 30 | 20 | 30.00 | 20.00 | 22.00 | 20.00 |
| 30 | 22 | 30.00 | 22.00 | 22.00 | 20.50 |
| 30 | 24 | 30.00 | 24.00 | 22.00 | 21.00 |
| 30 | 26 | 30.00 | 26.00 | 22.00 | 21.50 |
| 30 | 28 | 30.00 | 28.00 | 22.00 | 21.50 |
| 32 | 14 | 32.00 | 14.00 | 23.50 | 20.00 |
| 32 | 16 | 32.00 | 16.00 | 23.50 | 20.00 |
| 32 | 18 | 32.00 | 18.00 | 23.50 | 20.50 |
| 32 | 20 | 32.00 | 20.00 | 23.50 | 21.00 |
| 32 | 22 | 32.00 | 22.00 | 23.50 | 21.50 |
| 32 | 24 | 32.00 | 24.00 | 23.50 | 22.00 |
| 32 | 26 | 32.00 | 26.00 | 23.50 | 22.50 |
| 32 | 28 | 32.00 | 28.00 | 23.50 | 22.50 |
| 32 | 30 | 32.00 | 30.00 | 23.50 | 23.00 |
| 34 | 16 | 34.00 | 16.00 | 25.00 | 21.00 |
| 34 | 18 | 34.00 | 18.00 | 25.00 | 21.50 |
| 34 | 20 | 34.00 | 20.00 | 25.00 | 22.00 |
| 34 | 22 | 34.00 | 22.00 | 25.00 | 22.50 |
| 34 | 24 | 34.00 | 24.00 | 25.00 | 23.00 |
| 34 | 26 | 34.00 | 26.00 | 25.00 | 23.50 |
| 34 | 28 | 34.00 | 28.00 | 25.00 | 23.50 |
| 34 | 30 | 34.00 | 30.00 | 25.00 | 24.00 |
| 34 | 32 | 34.00 | 32.00 | 25.00 | 24.50 |
| 36 | 16 | 36.00 | 16.00 | 26.50 | 22.00 |
| 36 | 18 | 36.00 | 18.00 | 26.50 | 22.50 |
| 36 | 20 | 36.00 | 20.00 | 26.50 | 23.00 |
| 36 | 22 | 36.00 | 22.00 | 26.50 | 23.50 |
| 36 | 24 | 36.00 | 24.00 | 26.50 | 24.00 |
| 36 | 26 | 36.00 | 26.00 | 26.50 | 24.50 |
| 36 | 28 | 36.00 | 28.00 | 26.50 | 24.50 |
| 36 | 30 | 36.00 | 30.00 | 26.50 | 25.00 |
| 36 | 32 | 36.00 | 32.00 | 26.50 | 25.50 |
| 36 | 34 | 36.00 | 34.00 | 26.50 | 26.00 |
| 38 | 18 | 38.00 | 18.00 | 28.00 | 23.50 |
| 38 | 20 | 38.00 | 20.00 | 28.00 | 24.00 |
| 38 | 22 | 38.00 | 22.00 | 28.00 | 24.50 |
| 38 | 24 | 38.00 | 24.00 | 28.00 | 25.00 |
| 38 | 26 | 38.00 | 26.00 | 28.00 | 25.50 |
| 38 | 28 | 38.00 | 28.00 | 28.00 | 25.50 |
| 38 | 30 | 38.00 | 30.00 | 28.00 | 26.50 |
| 38 | 32 | 38.00 | 32.00 | 28.00 | 27.00 |
| 38 | 34 | 38.00 | 34.00 | 28.00 | 27.50 |
| 38 | 36 | 38.00 | 36.00 | 28.00 | 28.00 |
| 40 | 18 | 40.00 | 18.00 | 29.50 | 24.50 |
| 40 | 20 | 40.00 | 20.00 | 29.50 | 25.00 |
| 40 | 22 | 40.00 | 22.00 | 29.50 | 25.50 |
| 40 | 24 | 40.00 | 24.00 | 29.50 | 26.00 |
| 40 | 26 | 40.00 | 26.00 | 29.50 | 26.50 |
| 40 | 28 | 40.00 | 28.00 | 29.50 | 26.50 |
| 40 | 30 | 40.00 | 30.00 | 29.50 | 27.50 |
| 40 | 32 | 40.00 | 32.00 | 29.50 | 28.00 |
| 40 | 34 | 40.00 | 34.00 | 29.50 | 28.50 |
| 40 | 36 | 40.00 | 36.00 | 29.50 | 29.00 |
| 40 | 38 | 40.00 | 38.00 | 29.50 | 29.50 |
| 42 | 16 | 42.00 | 16.00 | 30.00 | 25.00 |
| 42 | 18 | 42.00 | 18.00 | 30.00 | 25.50 |
| 42 | 20 | 42.00 | 20.00 | 30.00 | 26.00 |
| 42 | 22 | 42.00 | 22.00 | 30.00 | 26.00 |
| 42 | 24 | 42.00 | 24.00 | 30.00 | 26.00 |
| 42 | 26 | 42.00 | 26.00 | 30.00 | 27.50 |
| 42 | 28 | 42.00 | 28.00 | 30.00 | 27.50 |
| 42 | 30 | 42.00 | 30.00 | 30.00 | 28.00 |
| 42 | 32 | 42.00 | 32.00 | 30.00 | 28.00 |
| 42 | 34 | 42.00 | 34.00 | 30.00 | 28.00 |
| 42 | 36 | 42.00 | 36.00 | 30.00 | 28.00 |
| 42 | 38 | 42.00 | 38.00 | 30.00 | 28.00 |
| 42 | 40 | 42.00 | 40.00 | 30.00 | 28.00 |
| 44 | 20 | 44.00 | 20.00 | 32.00 | 27.00 |
| 44 | 22 | 44.00 | 22.00 | 32.00 | 27.00 |
| 44 | 24 | 44.00 | 24.00 | 32.00 | 27.50 |
| 44 | 26 | 44.00 | 26.00 | 32.00 | 27.50 |
| 44 | 28 | 44.00 | 28.00 | 32.00 | 27.50 |
| 44 | 30 | 44.00 | 30.00 | 32.00 | 28.00 |
| 44 | 32 | 44.00 | 32.00 | 32.00 | 28.00 |
| 44 | 34 | 44.00 | 34.00 | 32.00 | 28.50 |
| 44 | 36 | 44.00 | 36.00 | 32.00 | 28.50 |
| 44 | 38 | 44.00 | 38.00 | 32.00 | 29.00 |
| 44 | 40 | 44.00 | 40.00 | 32.00 | 29.50 |
| 44 | 42 | 44.00 | 42.00 | 32.00 | 30.00 |
| 46 | 22 | 46.00 | 22.00 | 33.50 | 28.50 |
| 46 | 24 | 46.00 | 24.00 | 33.50 | 28.50 |
| 46 | 26 | 46.00 | 26.00 | 33.50 | 29.00 |
| 46 | 28 | 46.00 | 28.00 | 33.50 | 29.00 |
| 46 | 30 | 46.00 | 30.00 | 33.50 | 29.00 |
| 46 | 32 | 46.00 | 32.00 | 33.50 | 29.50 |
| 46 | 34 | 46.00 | 34.00 | 33.50 | 29.50 |
| 46 | 36 | 46.00 | 36.00 | 33.50 | 30.00 |
| 46 | 38 | 46.00 | 38.00 | 33.50 | 30.00 |
| 46 | 40 | 46.00 | 40.00 | 33.50 | 30.50 |
| 46 | 42 | 46.00 | 42.00 | 33.50 | 31.00 |
| 46 | 44 | 46.00 | 44.00 | 33.50 | 31.50 |
| 48 | 22 | 48.00 | 22.00 | 35.00 | 29.00 |
| 48 | 24 | 48.00 | 24.00 | 35.00 | 29.00 |
| 48 | 26 | 48.00 | 26.00 | 35.00 | 30.00 |
| 48 | 28 | 48.00 | 28.00 | 35.00 | 30.00 |
| 48 | 30 | 48.00 | 30.00 | 35.00 | 30.00 |
| 48 | 32 | 48.00 | 32.00 | 35.00 | 31.00 |
| 48 | 34 | 48.00 | 34.00 | 35.00 | 31.00 |
| 48 | 36 | 48.00 | 36.00 | 35.00 | 31.00 |
| 48 | 38 | 48.00 | 38.00 | 35.00 | 32.00 |
| 48 | 40 | 48.00 | 40.00 | 35.00 | 32.00 |
| 48 | 42 | 48.00 | 42.00 | 35.00 | 32.00 |
| 48 | 44 | 48.00 | 44.00 | 35.00 | 33.00 |
| 48 | 46 | 48.00 | 46.00 | 35.00 | 33.00 |
Grunnlagt i 2007 og flyttet til Longyou Economic Development Zone, Zhejiang -provinsen, i 2022. Den dekker et område på 130 000 kvadratmeter, mer enn 30 produksjonslinjer, 300 arbeidere, 20 FoU -personer, 30 inspeksjonsfolk og en årlig produksjon på 50 000 tonn.
It has passed ISO9001:2008 quality management system, PED 97/23/EC EU Pressure Equipment Directive certification, China Special Equipment Manufacturing License (Pressure Tube) TS certification, ASME certification, provincial enterprise standardization management system, ISO14000:2004 environment management system, cleaner production (green enterprise), and a series of certifications, as well as China Classification Society (CCS), American Bureau of Shipping (ABS), British Register of Shipping (LR), Deutsche Veritas (GL), Bureau Veritas Society (BV), Det Norske Veritas (DNV) og Korean Register of Shipping (KR) Factory Certification.
Hovedproduktene inkluderer rustfrie stålrør, rørbeslag, flenser, ventiler, etc., som er mye brukt i petroleum, kjemisk industri, kjernefysisk industri, smelting, skipsbygging, legemidler, mat, vannkonservitet, elektrisk kraft, ny energi, mekanisk utstyr og andre felt. Selskapet holder seg til bedriftens grunnlag for "kvalitet for å overleve, omdømme for utvikling" og tjener helhjertet hver kunde til å skape en vinn-vinn-situasjon.





Massetetthet av bløtt stål: grunnleggende og praktisk betydning Massetettheten til bløtt stål er en grunnleggende egenskap som direkte påvirker hvordan ingeniører og designere dimensjonerer komp...
Se merIntroduksjon til lavlegert stålmateriale Lavlegert stålmateriale er en type stål som inneholder en liten prosentandel av legeringselementer, vanligvis mindre enn 8 %, i tillegg til karbon. Disse...
Se merOversikt — hva "vekt per kubikk tomme" betyr for rustfritt stål "Vekt per kubikk tomme" er ganske enkelt massen (i pounds) av en kubikk tomme av materiale. For rustfritt stål avhenger dette av l...
Se merVi vil aldri dele e -postadressen din og deg
Kan velge bort når som helst, lover vi.