





Et kors er en type rørmontering som har fire åpninger på en forbindelse. Monteringen ser ut som et kors og kobler fire forskjellige rør til ett punkt. Den har vanligvis løsemiddel-sveisede stikkontakter eller hunnetråder.
Lik kryssmontering er et kors med alle fire åpninger for å ha samme diameter og koble til fire rør med samme diameter også.
Kryss av rørbeslag brukes til å koble til rør og endre eller kontrollere strømning gjennom et rørsystem. Dimensjonene spiller en viktig rolle i å bestemme styrken og stabiliteten. Når rørene i samme størrelse er tilkoblet og væsker strømmer fra en retning, vil det bli delt inn i tre retninger. Kryss-rørmontering vil bli utsatt for store trykkproblemer når væsken strømmer i tre retninger og forventes å bevege seg ut i en retning.
Kryssørbeslag kan stresse rør etter hvert som temperaturene endres på grunn av deres fireveis natur. Derfor brukes kryssrør generelt ikke som rørledningshydrauliske komponenter. Motsatt, der termisk ekspansjon ikke er et problem, er kryssfitting mer fordelaktig.
Introduksjon
| Lik kors | |
| Punkt | Rustfritt stål like kors |
| Standard | ASME: ANSI B16.9, ANSI B16.28, MSS-SP-43 EN: EN10253-1, EN10253-2 DIN: DIN2605, DIN2615, DIN2616, DIN2617, DIN28011 ASME B16.25- Butt sveisendene ASME B16.28- FORSIKTIG STÅL KORT RADIUS Albuer og rumpesveisetur MSS SP-43-fabrikkerte og smidde rumpe-sveisende beslag for korrosjonsbestandig, lavtrykksapplikasjoner ASTM A403-ASME SA403-spesifikasjon for smidd austenittisk rustfritt stål pipingbeslag ASME B16.9-utførte beslag |
| Materiale | Rustfritt stål, legeringsstål, dupleks, nikkellegeringer, stål med lav temperatur, karbonstål, etc. |
| Flate | Annealed & syltede, varme dukkert galvaniserende, elektropolish, gjennomsiktig olje, sinkplater, svart maling, lakk |
| Type | Skyv, trykk, smi, rollebesetning, etc. |
| størrelse | ½ "-48" |
| Leveringstid | Innen 5-30 dager etter å ha mottatt forhåndsbetalt |
| Pakking | Krymp innpakket kartongpall eller i sjøverdi tre cased |
| Søknad | Beslag for å koble til rør og rør i petroleum, kraft, kjemisk, konstruksjon, gass, metallurgi, skipsbygging osv. |
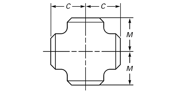
| Nominell rørstørrelse | Nominell rørstørrelse | Sentrum til slutt (i.) | |
| NPS | (i.) | Løp, c | Utsalgssted, m |
| ½ | 0.84 | 1.00 | 1.00 |
| ¾ | 1.05 | 1.12 | 1.12 |
| 1 | 1.32 | 1.50 | 1.50 |
| 1¼ | 1.66 | 1.88 | 1.88 |
| 1½ | 1.90 | 2.25 | 2.25 |
| 2 | 2.38 | 2.50 | 2.50 |
| 2½ | 2.88 | 3.00 | 3.00 |
| 3 | 3.50 | 3.38 | 3.38 |
| 3½ | 4.00 | 3.75 | 3.75 |
| 4 | 4.50 | 4.12 | 4.12 |
| 5 | 5.56 | 4.88 | 4.88 |
| 6 | 6.62 | 5.62 | 5.62 |
| 8 | 8.62 | 7.00 | 7.00 |
| 10 | 10.75 | 8.50 | 8.50 |
| 12 | 12.75 | 10.00 | 10.00 |
| 14 | 14.00 | 11.00 | 11.00 |
| 16 | 16.00 | 12.00 | 12.00 |
| 18 | 18.00 | 13.50 | 13.50 |
| 20 | 20.00 | 15.00 | 15.00 |
| 22 | 22.00 | 16.50 | 16.50 |
| 24 | 24.00 | 17.00 | 17.00 |
| 26 | 26.00 | 19.50 | 19.50 |
| 28 | 28.00 | 20.50 | 20.50 |
| 30 | 30.00 | 22.00 | 22.00 |
| 32 | 32.00 | 23.50 | 23.50 |
| 34 | 34.00 | 25.00 | 25.00 |
| 36 | 36.00 | 26.50 | 26.50 |
| 38 | 38.00 | 28.00 | 28.00 |
| 40 | 40.00 | 29.50 | 29.50 |
| 42 | 42.00 | 30.00 | 28.00 |
| 44 | 44.00 | 32.00 | 30.00 |
| 46 | 46.00 | 33.50 | 31.50 |
| 48 | 48.00 | 35.00 | 33.00 |
Grunnlagt i 2007 og flyttet til Longyou Economic Development Zone, Zhejiang -provinsen, i 2022. Den dekker et område på 130 000 kvadratmeter, mer enn 30 produksjonslinjer, 300 arbeidere, 20 FoU -personer, 30 inspeksjonsfolk og en årlig produksjon på 50 000 tonn.
It has passed ISO9001:2008 quality management system, PED 97/23/EC EU Pressure Equipment Directive certification, China Special Equipment Manufacturing License (Pressure Tube) TS certification, ASME certification, provincial enterprise standardization management system, ISO14000:2004 environment management system, cleaner production (green enterprise), and a series of certifications, as well as China Classification Society (CCS), American Bureau of Shipping (ABS), British Register of Shipping (LR), Deutsche Veritas (GL), Bureau Veritas Society (BV), Det Norske Veritas (DNV) og Korean Register of Shipping (KR) Factory Certification.
Hovedproduktene inkluderer rustfrie stålrør, rørbeslag, flenser, ventiler, etc., som er mye brukt i petroleum, kjemisk industri, kjernefysisk industri, smelting, skipsbygging, legemidler, mat, vannkonservitet, elektrisk kraft, ny energi, mekanisk utstyr og andre felt. Selskapet holder seg til bedriftens grunnlag for "kvalitet for å overleve, omdømme for utvikling" og tjener helhjertet hver kunde til å skape en vinn-vinn-situasjon.





Massetetthet av bløtt stål: grunnleggende og praktisk betydning Massetettheten til bløtt stål er en grunnleggende egenskap som direkte påvirker hvordan ingeniører og designere dimensjonerer komp...
Se merIntroduksjon til lavlegert stålmateriale Lavlegert stålmateriale er en type stål som inneholder en liten prosentandel av legeringselementer, vanligvis mindre enn 8 %, i tillegg til karbon. Disse...
Se merOversikt — hva "vekt per kubikk tomme" betyr for rustfritt stål "Vekt per kubikk tomme" er ganske enkelt massen (i pounds) av en kubikk tomme av materiale. For rustfritt stål avhenger dette av l...
Se merVi vil aldri dele e -postadressen din og deg
Kan velge bort når som helst, lover vi.